Zum Hauptinhalt springen Zur Suche springen Zum Menü springen

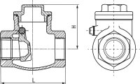
Muffenrückschlagklappe aus Edelstahl Werkstoff 1.4408 PN 14 1 1/4" A-690 T

83,35 €
inkl. 19% USt.
BESTELLWARE
  • Sofort verfügbar
Stk