Zum Hauptinhalt springen Zur Suche springen Zum Menü springen

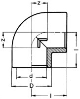
PVC-U - Klebefitting Winkel 90°, 16 mm, beidseitig Klebemuffe

1,93 €
inkl. 19% USt.
BESTELLWARE
  • Sofort verfügbar
Stk