Zum Hauptinhalt springen Zur Suche springen Zum Menü springen

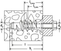
Porenbetondübel FTP K 4 VPE 25

23,51 €
inkl. 19% USt.
BESTELLWARE
  • Sofort verfügbar
Stk