Zum Hauptinhalt springen Zur Suche springen Zum Menü springen

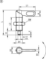
Sperrriegel Kipp Form B, griff Kipp unbeschichtet mit Mutter Nirosta M 12 x 8 mm

24,01 €
inkl. 19% USt.
BESTELLWARE
  • Sofort verfügbar
Stk