Zum Hauptinhalt springen Zur Suche springen Zum Menü springen

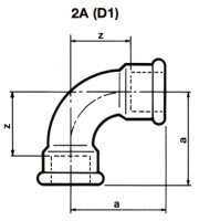
Tempergussfitting verzinkt Nr.2A kurzer Bogen I/I, Ø 1 1/2"

14,07 €
inkl. 19% USt.
BESTELLWARE
  • Sofort verfügbar
Stk