Zum Hauptinhalt springen Zur Suche springen Zum Menü springen

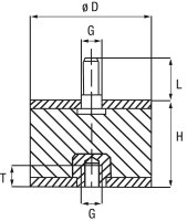
GUMMIPUFFER TYP B 40 x 30 mm, AG M 8 x 23 mm IG 7 mm

4,56 €
inkl. 19% USt.
BESTELLWARE
  • Sofort verfügbar
Stk