Zum Hauptinhalt springen Zur Suche springen Zum Menü springen

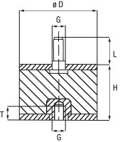
GUMMIPUFFER TYP B INNEN- UNDAUSSENGEWINDE M08X23, D=40, H=40,

4,11 €
inkl. 19% USt.
BESTELLWARE
  • Sofort verfügbar
Stk