Zum Hauptinhalt springen Zur Suche springen Zum Menü springen

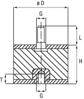
GUMMIPUFFER TYP B INNEN- UNDAUSSENGEWINDE M12X37, D=75, H=40,

10,30 €
inkl. 19% USt.
BESTELLWARE
  • Sofort verfügbar
Stk