Zum Hauptinhalt springen Zur Suche springen Zum Menü springen

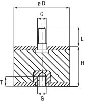
GUMMIPUFFER TYP B INNEN- UNDAUSSENGEWINDE M10X28, D=50, H=50,

5,18 €
inkl. 19% USt.
BESTELLWARE
  • Sofort verfügbar
Stk